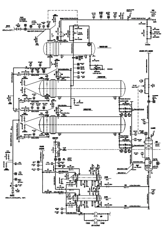
管束可从壳体内抽出,便于检修和清洗,且结构简单,造价便宜

*
*
*